


DB連接器DR-9P-04公頭技術參數
接觸電阻:30mΩ max at DC 100mA
絕緣電阻:1000mΩ min at DC500V
額定電流:5AMP
電壓:AC500V for 1 minute
工作溫度:-55℃~105℃
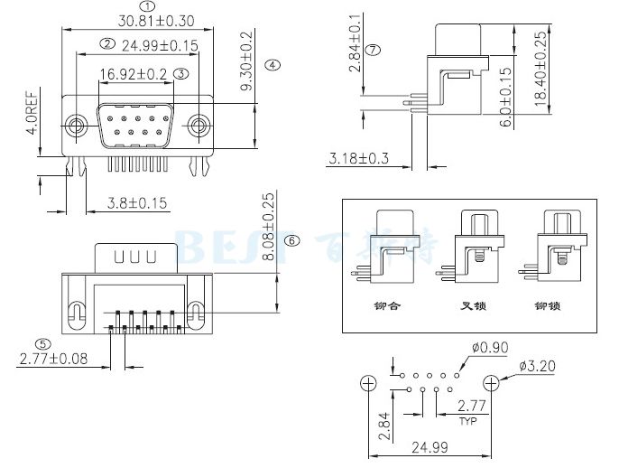
DB連接器DR-9P-04公頭參考圖紙
單位:mm


Copyright © 廣東精密龍電子科技有限公司 版權所有 粵ICP備17035144號 粵公網安備44130202001184號
全國服務電話:0755-83205533 傳真:0755-83761155
公司地址:深圳市龍崗區龍崗大道8288號深圳大運軟件小鎮45棟2樓

