


按鍵開關PS-22E07技術參數
使用范圍溫度:-20℃~70℃
保存溫度范圍:-30℃~80℃
額定負載:DC 36V 0.2A
切換類型:ON/OFF
接觸電阻:≤30mΩ
絕緣電阻:≥100 MΩ
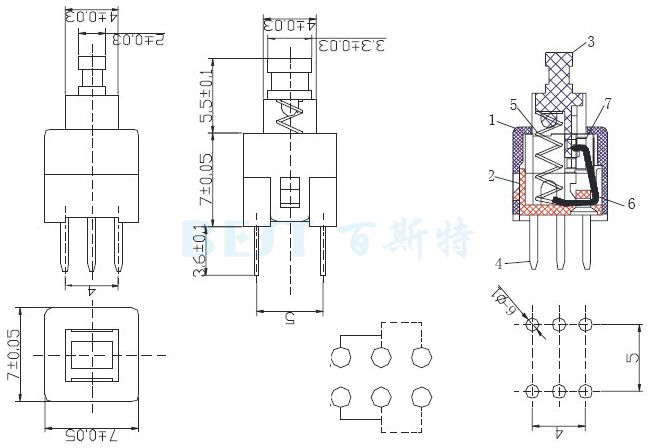
按鍵開關PS-22E07參考圖紙
單位:mm


Copyright © 廣東精密龍電子科技有限公司 版權所有 粵ICP備17035144號 粵公網安備44130202001184號
全國服務電話:0755-83205533 傳真:0755-83761155
公司地址:深圳市龍崗區龍崗大道8288號深圳大運軟件小鎮45棟2樓

