
dc電源插座的注意事項大家了解嗎?比如說在在使用前應察看它的標識是否齊全,包括電源性質符號、額定電流值、及相關警示提示語等。其次,不要讓dc電源插座接觸到水,如接觸到水,內部線路有可能出現短路等現象。并且不要將功率大的家用設備插座額定電流值較小的插座上。如在使用發現插座有松動現象,切不可自行拆開修理。因為dc電源插座線路復雜,如不注意有可能發生一些安全事故等,所以應當請技術人員來修理。接下來小編給大家介紹幾款常用的產品型號以及相關的參數詳情吧!
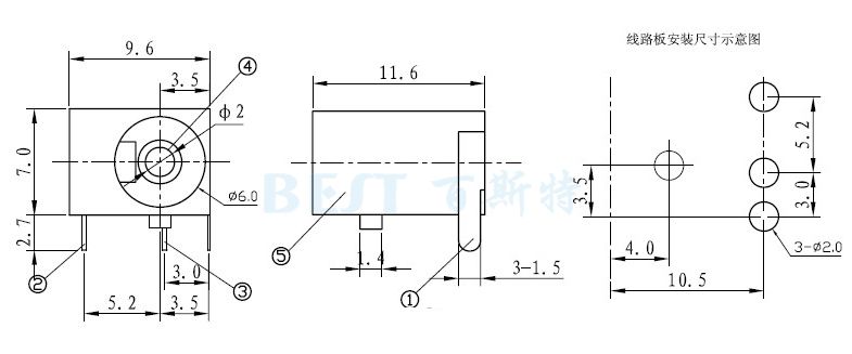
(1)dc電源插座dc-015
dc電源插座dc-015_參考圖紙:
產品簡介:
dc-015主要應用領域:電視機、組合音響、音箱、收錄機、計算機等家用電器電子儀器設備.
dc電源插座dc-015_技術參數:
環境溫度:15~35℃
插入力度:2.94~29.4N
拔出力度:2.94~29.4N
接觸電阻:≤0.03Ω
壓力:86kPa~106kPa
相對濕度:25%~80%
額定值:dc 12V 1A
絕緣電阻:≥100MΩ
(2)dc電源插座dc-023
dc電源插座dc-023_參考圖紙:
dc電源插座dc-023_產品簡介:
dc電源插座dc-023額定值是dc30V 0.5A,插入力度是3到20N,是插件dc電源插座,針芯直徑為1.65mm,dc電源插座的孔徑尺寸是4.4mm ,dc-023插座主要應用領域:電視機、組合音響、音箱、收錄機、計算機等家用電器電子儀器設備。
dc電源插座dc-023_技術參數:
環境溫度:15~35℃
拔出力度:2.94~29.4N
接觸電阻:≤0.03Ω
絕緣電阻:≥100MΩ
壓力:86kPa~106kPa
相對濕度:25%~80%
額定值:dc 12V 1A
插入力度:2.94~29.4N
(3)dc電源插座dc-025M
dc電源插座dc-025M_參考圖紙:
dc電源插座dc-025M_產品簡介:
dc電源插座dc-025M額定值是dc30V 0.5A,插入力度是3到20N,是插件dc電源插座。針芯直徑2.0/2.5mm,dc電源插座的孔徑尺寸是5.6mm,兩個插腳。有帶螺紋和不帶螺紋兩種。dc-025M主要應用于電視機、組合音響、音箱、收錄機、計算機等家用電器電子儀器設備。例如高清電視、電腦、DVC解碼板、電子稱、電飯煲、多媒體通訊、空調等。
dc電源插座dc-025M_技術參數:
環境溫度:15~35℃
壓力:86kPa~106kPa
拔出力度:2.94~29.4N
接觸電阻:≤0.03Ω
絕緣電阻:≥100MΩ
相對濕度:25%~80%
額定值:dc 12V 1A
插入力度:2.94~29.4N
(4)dc電源插座dc-044
dc電源插座dc-044_參考圖紙:
產品簡介:
dc-044主要應用領域:電視機、組合音響、音箱、收錄機、計算機等家用電器電子儀器設備。
dc電源插座dc-044_技術參數:
環境溫度:15~35℃
壓力:86kPa~106kPa
拔出力度:2.94~29.4N
接觸電阻:≤0.03Ω
絕緣電阻:≥100MΩ
相對濕度:25%~80%
額定值:dc 12V 1A
插入力度:2.94~29.4N
(5)dc電源插座dc-098
dc電源插座dc-098參考圖紙:
產品簡介:
dc-098主要應用領域:電視機、組合音響、音箱、收錄機、計算機等家用電器電子儀器設備。
dc電源插座dc-098_技術參數:
環境溫度:15~35℃
壓力:86kPa~106kPa
插入力度:2.94~29.4N
拔出力度:2.94~29.4N
接觸電阻:≤0.03Ω
絕緣電阻:≥100MΩ
相對濕度:25%~80%
額定值:dc 12V 1A
以上就是關于dc電源插座dc-015、dc-023、dc-025M、dc-044、dc-098等型號產品的性能等參數的介紹。除此之外,還有很多其它型號的產品,大家可以根據自己的需求去合理選擇。dc電源插座的規格類型區分很多,但是每個規格不同的類型插座,其功能的差異及所應用的場景都是有所不同的。因此針對于dc電源插座的選用上要注意是否兼容使用,以免造成插座的損壞。

Copyright © 廣東精密龍電子科技有限公司 版權所有 粵ICP備17035144號 粵公網安備44130202001184號
全國服務電話:0755-83205533 傳真:0755-83761155
公司地址:深圳市龍崗區龍崗大道8288號深圳大運軟件小鎮45棟2樓

