
一般常規的dc電源插座005根據后綴字母來區分也是分為好幾種類型的,例如dc電源插座005b、dc電源插座005d、005c等規格。而且對于規格型號不同的產品,在規格尺寸、功能特性、質量及用途上都是有所存在差異的。目前對dc插座的需求是比較大的,基本目前各行業領域的運用是十分普遍的,那么作為咱們一些采購人員經常都有接觸到各種各樣的電子元器件,那能否對dc插座有多少了解呢?下面小編來給大家簡單介紹一款常用規格型號的產品以及dc插座原理以及使用方法等相關的知識!
dc電源插座005使用正確方法是將dc插頭插入dc電源母座,使兩者相互接觸聯接。接著dc電源插座005插入dc電源母座后,此時要用力向下按壓dc插頭,目的的作用是使其與dc母座相互插緊。當ddc電源插座005接插后,這時還需要注意將dc電源插座005向左旋轉,其目的是為了加以聯接穩固。
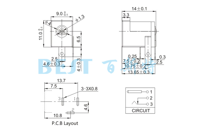
(1)dc電源插座005_DC-005B
dc電源插座005_DC-005B_參考圖紙:
dc電源插座005_DC-005B_產品簡介:
dc電源插座005_DC-005B主要應用領域:電視機、組合音響、音箱、收錄機、計算機等家用電器電子儀器設備。
dc電源插座005_DC-005B_技術參數:
環境溫度:15~35℃
壓力:86kPa~106kPa
相對濕度:25%~80%
額定值:DC 12V 1A
插入力度:2.94~29.4N
拔出力度:2.94~29.4N
接觸電阻:≤0.03Ω
絕緣電阻:≥100MΩ
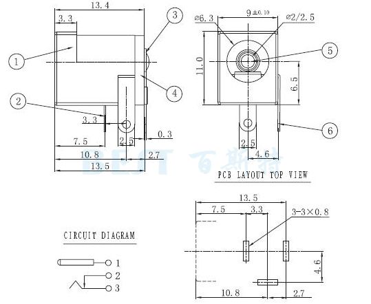
(2)dc電源插座005
dc電源插座005_參考圖紙:
dc電源插座005_產品簡介:
DC電源插座DC-005額定值是DC30V0.5A,插入力度是3到20N,是插件DC電源插座,針芯直徑2.0/2.5,DC插座的孔徑尺寸是6.4mm.3個插腳。壽命5000次,具體參考DC-005的圖紙說明。
dc電源插座005_技術參數:
額定值:DC 30V 0.5A
插入力度:3~20N
接觸電阻:≤0.03Ω
絕緣電阻:≥100MΩ
耐壓力:AC500V(50Hz)/min
壽命:5000次
(3)dc電源插座005C
dc電源插座005C_參考圖紙:
dc電源插座005C_產品簡介:
dc電源插座005C額定值DC30V0.5A,插入力度是3到25N,針芯直徑規格:內芯大小φ1.3mm,塑膠材質:PBT UL94V-0阻燃/耐高溫/環保。
dc電源插座005C_技術參數:
環境溫度:5~35℃
壓力:86kPa~106kPa
相對濕度:45%~85%
額定值:DC 30V 0.5A
插入力度:3~25N
拔出力度:3~25N
接觸電阻:≤0.05Ω
絕緣電阻:≥100MΩ
(4)dc電源插座006
dc電源插座006_參考圖紙:
dc電源插座006_產品簡介:
dc電源插座006主要應用領域:
電視機、組合音響、音箱、收錄機、計算機等家用電器電子儀器設備。
dc電源插座006_技術參數:
環境溫度:15~35℃
壓力:86kPa~106kPa
相對濕度:25%~80%
額定值:DC 12V 1A
插入力度:2.94~29.4N
拔出力度:2.94~29.4N
接觸電阻:≤0.03Ω
絕緣電阻:≥100MΩ
(5)dc電源插座023
dc電源插座023_參考圖紙:
dc電源插座023__產品簡介:
dc電源插座023的額定值是DC30V 0.5A,插入力度是3到20N,是插件DC電源插座,針芯直徑為1.65mm,DC插座的孔徑尺寸是4.4mm ,DC-023插座主要應用領域:電視機、組合音響、音箱、收錄機、計算機等家用電器電子儀器設備.
dc電源插座023_技術參數:
環境溫度:15~35℃
壓力:86kPa~106kPa
相對濕度:25%~80%
額定值:DC 12V 1A
插入力度:2.94~29.4N
拔出力度:2.94~29.4N
接觸電阻:≤0.03Ω
絕緣電阻:≥100MΩ
除了dc電源插座005外,其dc插座常規的類型還區分許多,如dc電源插座023、dc電源插座006、dc電源插座008等規格。而每種規格系列不同的dc插座,實際細分的規格型號都是區分有好幾種的,請在產品購買之前還要注意了解清楚其插座的各項參數是否符合自身的需求使用。dc電源插座005等在使用時對工作電流不要逾越其額定的安全電流值,以免引起自然起火,以至于造成焚毀插座的情況。平時在dc電源插座005用完后或者不運用時,要把防塵蓋子蓋上,以免避免一些水氣以及塵埃侵入到dc母座內部,否者在運用上會引起呈現一些短路等事端隱患。

Copyright © 廣東精密龍電子科技有限公司 版權所有 粵ICP備17035144號 粵公網安備44130202001184號
全國服務電話:0755-83205533 傳真:0755-83761155
公司地址:深圳市龍崗區龍崗大道8288號深圳大運軟件小鎮45棟2樓

