
耳機插座使用在目前大多數電子產品中的應用需求也是非常廣的,而且主要常見使用最多的兩種規格類型有三段式、四段式耳機插座等。那么針對于五腳耳機插座(五段式耳機插座)各位是否有了解過?如五腳耳機插座怎么接線的呢?操作的當中哪些細節的問題需注意?想必了解的人員應該也占少數,那下面就給大家詳述下具體五腳耳機插座怎么接線的呢。
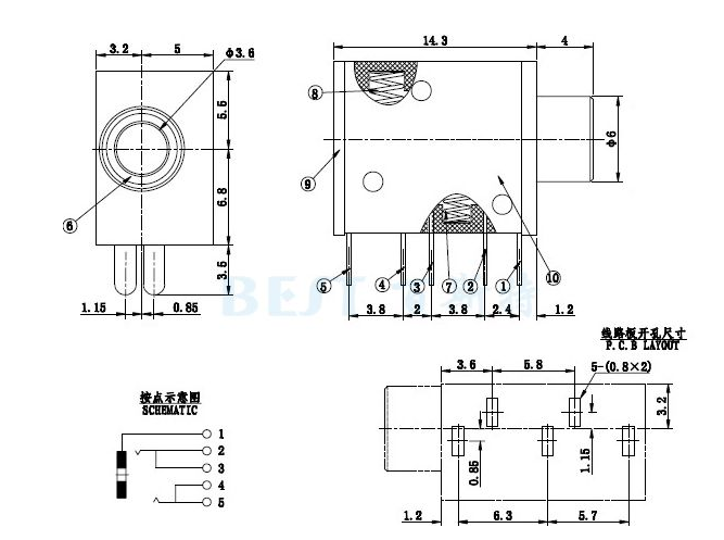
五腳耳機插座引腳示意圖


五腳耳機插座接線方法
首先關于三段式耳機插座通常的標準的接線一般分別接左聲道、右聲道、地線就選行。但是由于一些耳機插座的規格分類比較眾多,目前對于五腳耳機插座的規格一般都是應用于功放設備(音響設備)的使用,其接線1引腳仍然對應于地引腳,2、3引腳分別對應接左聲道輸出以及喇叭線。而最后的4、5引腳分別接右聲道輸出及喇叭線即可。
五腳耳機插座使用注意說明
1.關于耳機插座區分的國標與美標接線說法,那么對于在五腳耳機插座操作接線前就要先了解相應規格說明書是否是標識的國標還是美標的接法。以免導致耳機插座插座的接線上接錯。
2.五腳耳機插座使用過程中其接口要注意防止有水氣的侵入,否者會導致發生線路短路等情況,從而造成耳機插座使用上出現雜音或者是無聲的問題。
3.耳機插座與插頭的接插,也是要注意不能過大的力度拔出,或者是接入。以免過大力度接插的情況會造成耳機插座內部的金屬芯片磨損,而且還會容易導致造成耳機插座與插頭的接插連接出現松動等狀況。
4.五腳耳機插座的使用上,不能用其它三段式或者是四段式規格的耳機插座替換使用,因為對于功放設備使用的耳機插座接線要求要是滿足不了,其它規格的耳機插座是兼容不起使用的。
5.關于五腳耳機插座接線中2和3腳,以及3和4腳之間的接線不要相互接錯了,否者在耳機插座的使用上會造成沒聲的問題情況。
上述講的五腳耳機插座怎么接線等知識內容由精密龍電子技術人員提供,此時各位是否掌握五腳耳機插座怎么接線的方法呢?記得之前也是給大家提及講過對于四段式耳機插座接線方法及使用注意須知常識,那么大家若是有不明白之處的地方,可以留言給我們或者是直接致電咨詢精密龍電子工作人員。

Copyright © 廣東精密龍電子科技有限公司 版權所有 粵ICP備17035144號 粵公網安備44130202001184號
全國服務電話:0755-83205533 傳真:0755-83761155
公司地址:深圳市龍崗區龍崗大道8288號深圳大運軟件小鎮45棟2樓

